-
-
-
Tổng tiền thanh toán:
-
Bảng ký hiệu gối đỡ UCF tương đương với các ký hiệu FYJ của SKF
Ngày 18/09/2023
Bình luận (0)
SKF cung cấp 1 dải các sản phẩm cụm vòng bi Y với các ký hiệu theo chuẩn chung là UCP, UCF, UCFL, UCFC... Các ký hiệu này đều có thông số kỹ thuật tương đương với các mã cũ của SKF như SYJ, FYJ, FYTB... Cụ thể với dòng gối đỡ UCF của SKF như sau:
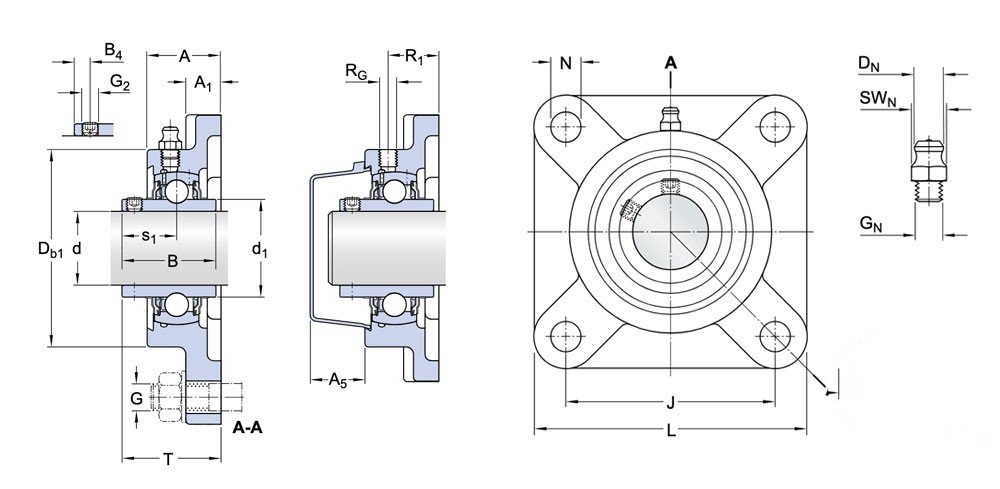
Ký hiệu gối UCF của SKF
- Gối đỡ UCF 204 tương đương gối đỡ FYJ 20 với đường kính trục 20 mm
- Gối đỡ UCF 205 tương đương gối đỡ FYJ 25 với đường kính trục 25 mm
- Gối đỡ UCF 206 tương đương gối đỡ FYJ 30 với đường kính trục 30 mm
- Gối đỡ UCF 207 tương đương gối đỡ FYJ 35 với đường kính trục 35 mm
- Gối đỡ UCF 208 tương đương gối đỡ FYJ 40 với đường kính trục 40 mm
- Gối đỡ UCF 209 tương đương gối đỡ FYJ 45 với đường kính trục 45 mm
- Gối đỡ UCF 210 tương đương gối đỡ FYJ 50 với đường kính trục 50 mm
- Gối đỡ UCF 211 tương đương gối đỡ FYJ 55 với đường kính trục 55 mm
- Gối đỡ UCF 212 tương đương gối đỡ FYJ 60 với đường kính trục 60 mm
- Gối đỡ UCF 213 tương đương gối đỡ FYJ 65 với đường kính trục 65 mm
- Gối đỡ UCF 214 tương đương gối đỡ FYJ 70 với đường kính trục 70 mm
- Gối đỡ UCF 215 tương đương gối đỡ FYJ 75 với đường kính trục 75 mm
- Gối đỡ UCF 216 tương đương gối đỡ FYJ 80 với đường kính trục 80 mm
- Gối đỡ UCF 218 tương đương gối đỡ FYJ 100 với đường kính trục 100 mm
Thông số kỹ thuật gối UCF

Thông số kỹ thuật gối UCF của SKF
Để biết thêm chi tiết, vui lòng liên hệ với bộ phận bán hàng của Vòng bi PCF Quang Minh để được hỗ trợ.